Pm-80 Maintenance
PUMP HEADS
The procedures detailed below encompass all user services that require removal of the pump heads. They include:
- Pump head replacement
- Plunger seal replacement
- Plunger spring replacement
- Plunger free-play adjustment
- Plunger replacement
- Plunger seal break-in
This section will detail the entire procedure, from head removal to re-insertion. The text will indicate which sections can be skipped when performing simple maintenance.

Pump Head Removal
An entire pump head may be rapidly removed by the following procedure:
- Observe the pressure display to make sure there is no residual pressure in the lines. Then turn the POWER off.
- Hold one check-valve assembly stationary with a wrench and remove the inlet or outlet line with a second wrench. Repeat for the other check-valve assembly.
- Hold the pump head against the body of the pump with the palm of one hand, and flip the locking lever towards the remaining pump head.
CAUTION: THE PUMP HEAD WILL BE EJECTED WITH SOME FORCE!
Pump Head Disassembly
Servicing or inspection of the plunger seal, plunger spring, and plunger require disassembly of the pump head. Proceed as follows:
- Place the pump head face down on a clean surface, and locate the three hex-head screws on the back of the pump head. Loosen all three slightly with a hex wrench.
- It is important to remove the three hex-head screws evenly; this will prevent spring pressure from cocking the rear part of the head and snapping the plunger. Remove these screws by alternately undoing each a few turns at a time.
- Carefully lift off the rear part of the pump head. Pull the plunger assembly straight up to remove it:

- Remove the plunger spring and examine it for corrosion, breaks or nicks. Replace the spring if damaged.
- Lift the guide piece from the rear face of the pump head to expose the plunger seal:

Plunger Inspection and Servicing
- Examine the plunger carefully. Remove the white o-ring and wash the sapphire rod with water and methanol. Salts may be removed by gently scrubbing with a green Scotchbrite® scouring pad moistened with water. Replace the plunger if it is chipped, scored or scratched (if replaced, proceed to item 4).
- Test the plunger free-play. Hold the plunger assembly in one hand with the sapphire rod pointing up. Wiggle the sapphire rod from side to side with the other hand. It should move freely. Rotate it radially; it should move freely through 360°, much as you would roll your head on your shoulders to stretch your neck muscles. Now try to move it up and down; there should be no movement in the longitudinal direction.
- If the rod passes the free-play test, proceed to the next section (seal replacement). If the sapphire rod is either too loose or too tight, perform the adjustment procedure beginning in item 4.
- To replace or adjust the sapphire rod, place the end of the plunger assembly that is farthest away from the rod in a vise, with the rod facing up. The tip of the piston assembly has two flat surfaces that the vise can grip. Do not overtighten and damage the assembly.

- Loosen the plunger nut by turning counterclockwise (with reference to the vise) with a wrench. Loosen this nut only enough to unlock the plunger screw above it.
- To replace the sapphire rod, fully unscrew (by hand) the plunger screw, remove the rod, and replace with a new one. A small ball bearing sits at the base of the rod, and is held in place with a dab of grease. Do not lose the ball during assembly. Make sure that the rod is fully seated inside the plunger nut. Reinstall the plunger screw into the barrel, but do not fully tighten it.
- To adjust the new or old sapphire rod, tighten or loosen the plunger screw by hand, while testing free-play. Wiggle the sapphire rod from side to side; it should move freely. Rotate it radially; it should move freely through 360°, much as you would roll your head on your shoulders to stretch your neck muscles. Now try to move it up and down; there should be no movement in the longitudinal direction. When the adjustment is correct, hold the plunger screw with a wrench and tighten the plunger nut (clockwise) to hold the adjustment.
- Re-test the plunger free-play. There is a tendency for the rod to bind slightly when the plunger nut is tightened. You may have to loosen the plunger nut again, and back off the plunger screw a bit for a final adjustment.
Plunger Seal Replacement
- Place the front portion of the pump head on a flat surface with the seal facing up.

- Remove the seal by inserting a 6-32 threaded screw into the seal material several turns, then pulling out the seal. Be careful not to scratch the metal of the pump head with the screw.
- Wash the pump head with water. Use a squeeze bottle to flush liquid through the check valves and all exposed ports.
- Irrigate the pump head and new seal (part number MR- 4598) with methanol, and push the seal fully into its seat with your thumb or the guide piece. Do not scratch the seal with a fingernail.
- Proceed with pump head reassembly. Be sure to follow the break-in procedure for new plunger seals (see below) after the pump is reassembled.
Pump Head Assembly
- Wash all parts with water.
- Place the front part of the pump head face-down on a flat surface.
- Insert the guide piece, with its registration pin seated into the matching hole on the inner face (hint: insertion will be easier if you dry the hole with a lab tissue).

- Place the old or new spring over the PTFE spring guide on the back of the guide piece. (If the spring guide has been removed, be sure to put it back with the chamfered inner edge on the guide piece.)
- Re-install the o-ring on the sapphire rod.
- Irrigate the plunger-seal area and the sapphire rod with methanol.
IT IS IMPORTANT THAT THE SEAL BE MOIST BEFORE INSTALLING THE PLUNGER ASSEMBLY!

- Insert the plunger assembly with the sapphire rod entering the plunger seal.
- Place the rear part of the pump head over the plunger assembly, and align the registration pin with the matching hole on the inner face of the front section.
- Insert the three hex-head screws. Tighten these alternately, a few turns at a time, to avoid lateral stresses that could snap the sapphire rod.
Pump Head Installation
- Push the pump head into place in the PM-80 pump.
- Flip the locking lever into the locked (outward) position.
- Hold one check-valve assembly stationary with a wrench and attach the inlet or outlet line with a second wrench. Repeat for the other check-valve assembly.
- Follow the STARTUP procedure. It is very important to 1) ensure that the plunger seals are moist at startup, and 2) purge all air from the system.
- If new plunger seals were installed, follow the break-in procedure below.
PLUNGER SEAL BREAK-IN
Plunger seals must seat properly for longest life. A salt-free solvent is recommended for break-in. Proceed as follows after installing new seals:
- Wet the irrigation ports in the pump heads with a few drops of water.
- Purge the system with filtered 40:60 (v:v) acetonitrile:water, as described in the STARTUP section.
- Attach a column to the system. It need not be a good column, as its only purpose is to provide backpressure.
- Run the pump for two hours at a pressure of 3000-3500 PSI. Adjust the FLOW RATE as necessary to achieve this pressure.
- After two hours you may switch to mobile phase and begin chromatography.
SERVICING CHECK VALVES
The PM-80 pump uses four cartridge-type check valves (part number MR-4650) that do not contain removable parts. The same valve is used for both the inlet and outlet check valves on the pump. Each check-valve cartridge contains two precision-engineered balls and seats in series, for a reliable seal. You can determine the direction of flow through the cartridge by attempting to squeeze water or methanol through it in each direction. When installing, remember that flow is always up through the pump.
In most cases, faulty check-valve performance (as indicated by large pressure fluctuations) is due to microscopic debris, salt precipitation, or trapped gas pockets. Gas can be removed by purging with freshly degassed mobile phase or solvent as described in the STARTUP section. The check valves may be cleaned by sonication (see below), or (if necessary) replaced. When cleaning or replacing these cartridges, remember that any lint from towels, paper wipes, etc. may reintroduce the problem. The best approach is to flush the check valves with methanol and to reassemble them wet.
An understanding of flow through the pump and check valves is helpful in diagnosing check-valve problems. A full cycle consists of two pump strokes:

When the left pump head is compressing, the green LED above it lights. The inlet check valve below it closes, preventing any backflow. The outlet check valve above it opens, allowing mobile phase to proceed towards the pressure transducer.
While this is occurring, the right pump head is aspirating. Its inlet check valve is open, allowing mobile phase to enter from the solvent reservoir. The outlet check valve is closed, which prevents any backflow into the right pump head from the pressure transducer.
After the left pump head finishes its stroke, the roles of the two pump heads reverse. The green LED above the right pump head lights, and the head begins compressing. The inlet check valve closes, and the outlet check valve opens. The left pump head begins aspirating; its inlet check valve opens and its outlet check valve closes.
Pump-related malfunctions that produce pressure fluctuations can be localized by observing the pump stroke and pressure readout. When the LED over the left pump head is on, the left head is compressing. Its inlet check valve must shut, and its outlet check valve must open. In addition, because the pressure transducer chamber is open to both pump heads, the outlet check valve of the right pump head must close. If it didn't, fluid would flow from the left pump head into the transducer, then down into the right pump head. The opposite argument applies to the right pump head.
Because of this relationship, there are three likely places to check when pressure drops as one pump head compresses: the pump head itself (plunger seal, plunger spring, plunger), the inlet check valve for that pump head, and the outlet check valve for the opposite head.
Check Valve Removal
- Stop the pump and allow pressure to dissipate. Then turn off the POWER.
- Hold the check-valve assembly stationary with a wrench and remove the inlet or outlet line with another wrench.
- Remove the check-valve assembly, which contains the check-valve cartridge.
Check Valve Cleaning
- Place the entire check-valve assembly in a solution of laboratory detergent warmed to 50 °C. We recommend a 50% solution of RBS-35® (Pierce Chemical Company). Soak for 1-2 hours. (Do not warm the solution above 60 °C, because plastic parts in the check valves may become distorted.)
- Sonicate the check-valve assembly for 15 minutes in the detergent solution.
- Flush with deionized water, then methanol.
- Reinstall the check-valve assembly following the instructions below. If check-valve problems continue, install a new cartridge.
Check-valve Cartridge Replacement
- Remove check-valve assembly from the pump head.
- If the cartridge does not shake out of the assembly, push it out with a paper clip. This may require some force. Alternatively, you may be able to insert a small screw into the cartridge and pull it out of the assembly. Discard the old cartridge, as it is now damaged.
- Clean the new cartridge, as above.
- Insert the new cartridge. Be certain to install the cartridge so it allows flow in the proper direction. Flow is always up through the pump; inlet check valves permit flow from the inlet line to the pump head, outlet check valves permit flow from the pump head to the outlet line. The cartridges may have an arrow to indicate flow direction. If not, the end with the small hole is the inlet, and the end with either several holes or a large hole is the outlet.
Check Valve Installation
- Squirt some methanol through the check valve. This will both wet it and allow you to observe whether the direction of flow is correct.
- Install the check-valve assembly onto the pump head with a wrench.
- Hold the check-valve assembly stationary with the wrench and connect the inlet or outlet tubing with a second wrench.
- Follow the startup procedure to prime the pump and remove all air from the check valves and lines.
PRESSURE TRANSDUCER
The pressure transducer will rarely need attention. If a leak ever develops, there are two PTFE o-rings inside that need to be replaced (part number MR-1240). Follow these steps:
- Stop the pump and allow system pressure to fall to zero. Turn the POWER off.
- Loosen and bend aside all 3 tubes entering the front face of the pressure transducer. Mark the front and back halves of the transducer with a grease pencil, so they can be reinstalled in the original orientation.
- Loosen and remove the 3 hex screws. Remove the front face of the housing and the two PTFE o-rings:

Discard the o-rings. Save the steel spacers which are underneath the o-rings. Clean all parts that are to be reinstalled.
- Install one steel spacer first. Slide it over the transducer, with the beveled edge facing the transducer and the flat edge facing out.
- Install the first o-ring next. Use your fingers to slightly stretch the o-ring so it just fits over the transducer. Be careful not to scratch the o-ring with your fingernails or on the edge of the transducer. Slide the o-ring down on the transducer so it lies against the flat edge of the first steel spacer. Repeat with second steel spacer and second o-ring.
- Wet the o-rings with water. Then install the front face of the assembly onto its back face, observing the original alignment. Tighten the three hex-head screws alternately to drive the face down evenly on the o-rings.
- Purge the pump as described in the STARTUP section.
PRIME/PURGE VALVE
The prime/purge valve only rarely requires service. If the knurled knob loosens on its shaft, tighten with a hex wrench. If the valve-stem nut loosens, tighten gently with a wrench. If leaks develop, the internal seals must be replaced. The seal kit is part number MF-5406. The replacement procedure is as follows:
- Switch the START/STOP switch to STOP and allow pressure to drop to zero. Turn the POWER switch off.
- Open the valve-stem nut all the way, and unscrew the valve stem. The entire stem assembly can now be removed.

- Place the metal tool provided in the kit across the slots in the seal retainer, and turn counterclockwise to remove. It may be necessary to grasp the tool with a pliers for greater torque. (Some seal retainers are designed to use a hex wrench.)
- Straighten a paper clip, then form a 1/8" right-angle bend at its tip. Reach into the valve body and carefully remove the old PTFE seal. Do not scratch the seat. Clean all parts to be reinstalled.
- Insert the new PTFE seal into the valve body so it rests against the seat.
- Screw the seal retainer back into the body, and tighten firmly with the tool. Do not turn the tool with a pliers.
- Remove the old plastic tip from the valve stem with forceps or pliers. Push the new tip onto the stem by hand.
- Screw the stem back into the body, then tighten the valve-stem nut gently with a wrench. Then check that the valve stem turns without binding.
- Purge the pump as described in the STARTUP section. Close the prime/purge valve firmly and check for leakage during normal operation.
FITTINGS
Check all fittings for leaks every day. Large leaks will be obvious. Small leaks will be apparent only by the accumulation of salt deposits around the fitting. It is not normal for fittings to have even small leaks, and these should be tended to.
The first approach to treating a small leak is to clean up the salts with water and tighten the nut slightly. About 1/8 turn should do it, unless the nut is loose. If this doesn't stop the leak, it's best to replace the fitting and line entirely. Why?
It's certainly tempting to use a lot of force to stop a small leak. But several bad things can happen when you overtighten a fitting:
- The nut may break off with its threads still in the hole. A machinist will have to get it out for you, and if you're very lucky the part won't be damaged.
- The nut may fuse in place, and break off the next time you try to open it.
- The tubing end may become crimped, restricting flow and causing performance problems.
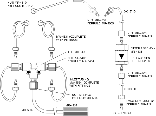
It makes more sense to replace a fitting or line before any of these events occur. This figure gives part numbers and ferrule types for all tubing used in the PM-80 pump:

IN-LINE SOLVENT FILTER

The in-line filter should be suspected whenever system pressure rises above normal. The filter becomes clogged by doing its job: preventing particles from the mobile phase or pump seals from lodging in the injector or on the column. To replace the filter frit do the following:
- Stop the pump and allow pressure to drop to zero.
- Remove the inlet and outlet tubing to the filter assembly. Be sure to note the flow direction.
- Loosen the two halves of the filter assembly with two wrenches, but do not separate them yet.
- Hold the assembly vertically, with the smaller section on the bottom. Now unscrew the larger section and remove.
- The two frit supports and the frit can now be removed from the smaller section. Keep the supports separate so they can be reassembled in the same order: they seal best when installed in the section from which they came.
- Flush water through each support to ensure that its passageway is not clogged.
- Place the appropriate support on the smaller section, then put a new filter frit (MR-4136) on top of it. Put on the remaining support, then screw on the larger section. Tighten with two wrenches.
- Attach the inlet line from the pump to the assembly, observing proper flow direction. Pump some mobile phase through the unit to remove air, then attach the outlet tubing.
FAN FILTER

The fan filter should be removed for cleaning at least once per year (more often if it is visibly dirty.) Proceed as follows:
- Gently pry off the retaining grid with a screwdriver. Do not unscrew the mounting screws!
- Carefully pull out the filter. You may either vacuum it clean, or wash it gently in warm sudsy water. Be careful not to tear the filter.
- If you've washed the filter, blot it well between sheets of paper towels, then allow it to dry.
- Reinstall the filter by holding it in place over the fan opening, then snapping the retaining grid in place. Position the grid with its ridges facing in towards the filter.
ROUTINE MAINTENANCE
Regular maintenance will keep pump performance up to specifications. We recommend:
| Every Day |
Inspect all fittings in the flow path for leaks. |
| Every Three Months |
Replace plunger seals and inspect interior of pump head. |
| Every Year |
Clean the fan filter. |